文章詳情頁
solidworks直線工具草圖練習
瀏覽:184日期:2023-12-04 15:44:24
下面給大家介紹的是solidworks直線工具草圖練習的方法與步驟,喜歡的朋友可以一起來關注好吧啦網學習更多的solidworks教程。
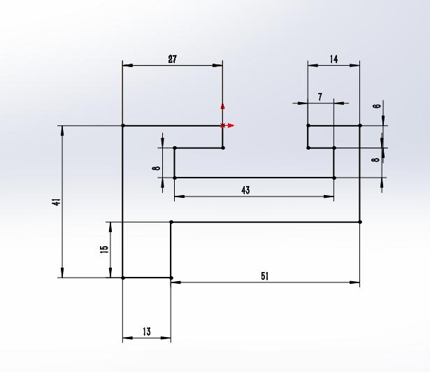
草圖效果圖:

1、打開SOLIDWORKS2016,新建零件,點擊草圖繪制。

2、選擇前視圖基準面,進入繪制。

3、點擊直線工具。繪制直線。

4、捕捉坐標點,繪制直線出來時,輸入27參數后,按Enter鍵。

5、向下面繪制直線,一樣輸入41參數后,控enter鍵。

6、以次方法類推。輸入繪制下面的直線出來。

7、繪制好后,點擊退出草圖。

這樣一個簡單的草圖就設計出來了。

上一條:SOLIDWORKS修改角度完成草圖繪制下一條:ai怎么畫綠色小屋圖標
相關文章:
排行榜

網公網安備