CAD2020關于標注類型
基本的標注類型為線性標注、徑向標注、角度標注、同基準標注和弧長標注。使用 DIM 命令根據要標注的對象類型自動創建標注。
在特殊情況下,也可以通過設置標注樣式或編輯各標注來控制標注的外觀。標注樣式使您可以快速指定約束,并保持行業或工程標注標準。
提示: 若要簡化圖形組織和標注縮放,您可以在布局上而不是在模型空間中創建標注。線性標注線性標注可以水平、垂直或對齊放置。可根據放置文字時光標的移動方式,使用 DIM 命令創建對齊標注、水平標注或垂直標注。
在旋轉的標注中,尺寸線與尺寸界線原點形成一定的角度。在此示例中,標注旋轉的指定角度等于該槽的角度。
注: 還可以創建尺寸線與尺寸界線不垂直的線性標注。這些稱為傾斜標注,它們最常用于等軸測草圖。在本例中,尺寸線的角度將定向于 30 度和 60 度,具體取決于當前的等軸測平面。
半徑標注徑向標注可測量圓弧和圓的半徑或直徑,具有可選的中心線或中心標記。下圖中顯示了多個選項。
注: 當標注的一部分位于已標注的圓弧或圓內時,將自動禁用非關聯中心線或中心標記。
角度標注角度標注測量兩個選定幾何對象或三個點之間的角度。從左到右,該示例分別演示了使用頂點和兩個點、圓弧以及兩條直線創建的角度標注。
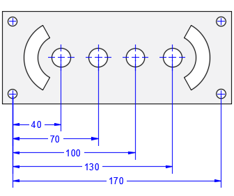
坐標標注坐標標注測量與原點(稱為基準)的垂直距離(例如部件上的一個孔)。這些標注通過保持特征與基準點之間的精確偏移量,來避免誤差增大。
重要: 基準根據 UCS 原點的當前位置而建立。

在此示例中,基準 (0,0) 表示為圖示面板左下角的孔。
弧長標注弧長標注用于測量圓弧或多段線圓弧上的距離。弧長標注的典型用法包括測量圍繞凸輪的距離或表示電纜的長度。
為區別它們是線性標注還是角度標注,默認情況下,弧長標注將顯示一個圓弧符號。圓弧符號(也稱為“帽子”或“蓋子”)顯示在標注文字的上方或前方。
基線標注和連續標注連續標注(也稱為鏈式標注)是端對端放置的多個標注。
基線標注是多個具有從相同位置測量的偏移尺寸線的標注。

注: 若要創建連續標注或基線標注,必須首先創建線性標注、角度標注或坐標標注以用作基準標注,從而從其中參照后續標注。
以上就是CAD2020關于標注類型,希望大家喜歡,請繼續關注好吧啦網。相關文章:

網公網安備