文章詳情頁
solidworks桌子設計教程
瀏覽:175日期:2024-07-22 17:02:53
下面給大家介紹的是solidworks桌子設計教程步驟,喜歡的朋友可以一起來關注好吧啦網學習solidworks桌子制作。
第1步。看看效果圖、

第2步、打開 solidWorks軟件,選擇前視基準面,草繪。

第3步、拉伸凸臺。深度115mm 。

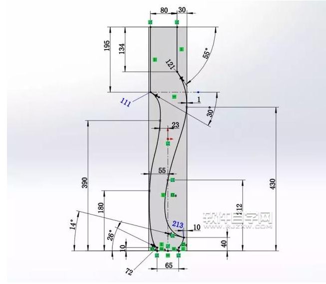
第4步、前視基準面,草繪。底部是一段圓弧。去掉430mm上端的重合約束,把控點向左挪一點。不然切除時會出錯。

第5步、草繪左半邊樣條曲線,把右邊上邊的控點挪一下,距離邊線1mm 。

第6步、拉伸切除,反側切除。

以上就是solidworks桌子設計教程,希望大家喜歡,請繼續關注好吧啦網。
相關文章:
排行榜

網公網安備